歯周内科
- トップページ
- 歯周内科
歯周病治療といえば昔から歯磨き指導と歯石取りなどの歯の周りのお掃除がどの歯科医院でもされている基本的な治療です。
かし、この基本的治療をしても一生懸命歯磨きしても、中々歯肉の炎症が取れず歯肉の腫れや出血・口臭で悩まれ歯周病で歯を失う方がいらっしゃる事も事実です。
ところが、簡単に薬で治す方法が見つかりました。原因である菌を特定し、薬でその菌を退治する事ができるようになったのです。
この治療法は、21世紀に入ってから行われている方法で、最新式の治療法法「顕微鏡を使った歯周内科治療」です。
歯周病はこのように進行していきます
STEP1
カビ菌が歯ぐきについて根を下ろし、炎症を引き起こします。
症状:口臭、ネバネバ感。
STEP2
炎症によって歯ぐきが腫れ、歯と歯ぐきの間の溝が汚れやすくなりカビが更に奥で炎症を起こします。
症状:歯ぐきの痛み、時々出血する。
STEP3
歯と歯ぐきの間の歯周ポケットという部分に歯周病菌がたまり、炎症が酷くなることで骨が溶けていきます。
症状:歯ぐきの炎症、時々腫れる、赤みの悪化
STEP4
歯周ポケットは更に深くなり、よりたくさんの菌がたまっていきます。
症状:歯ぐきを押すと膿が出る
STEP5
骨は更に溶け、歯周ポケットは更に深くなり多くの菌がたまっていきます。
症状:口臭が更に悪化、出血が酷い、歯が揺れる、噛むと痛い、膿が出る、歯ぐきがよく腫れる
STEP6
最後には歯の周りに骨がなくなってしまい、歯がグラグラになり抜かなければいけなくなります。
症状:歯が痛くて噛めない、歯が揺れて噛めない、歯ぐきがいつも腫れている
歯周内科治療の治療方法
治療方法には、4つの大きなポイントがあります。
①位相差顕微鏡とDNA検査での菌の確認
②細菌の除去薬剤の内服と・3DS
③カビの除去薬剤あるいはカビ取り歯磨き剤での歯磨き
④除菌後の歯石取り
特に①は非常に大きなポイントです。
位相差顕微鏡でお口の中の菌を確認しなくてはなりません。歯周病菌がいるのか、カビが多いのか、あるいは非常にきれいなのか。
位相差顕微鏡で確認しなければ、お薬の選択ができないのです。
細菌の除去薬剤
カビの除去薬剤及びカビ取り歯磨き剤
歯周内科治療におすすめのデンタルグッズ
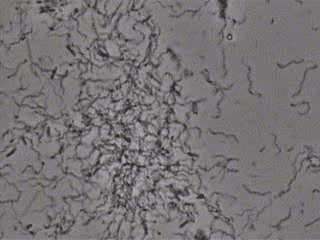
位相差顕微鏡検査
顕微鏡検査では歯周病菌やカビ菌がほとんどの方にみられます。我々は患者様の口の中の汚れをほんの少し採取し、顕微鏡で観察いたします。
顕微鏡で見ることで、今現在の菌の状態を確認することができ歯周病になりやすいかどうか、今はどういう状態なのか、これからどういう状態になって行くのかが分かります。
さらに映し出しされた動画像を拡大表示する機能を用いることで治療効果のより分かりやすい説明を聞くことが可能です。
菌の種類(位相差顕微鏡で確認できる菌の一部です)

カンジダアルビカンス(カビ菌)

スピロヘータ(歯周病菌)

口腔トリコモナス(原虫)

歯肉アメーバ(原虫)
歯周内科治療の流れ
STEP 1
カウンセリング(60分)
・レントゲンの撮影
・顕微鏡検査
・歯周内科治療の説明 など
※カウンセリングの終了後治療をご希望される場合は、先々の予約をお取りします。
STEP 2
検査(60分)
・口腔内写真の撮影
・歯周ポケット検査
・唾液検査
・3DS MPimp
・PCR法(DNA検査)
STEP 3
治療開始(20分)
抗カビ剤の使用方法、薬の説明
・PCRの結果説明
※薬の効果がある間(3日~10日)の間に行います。
STEP 4
中間顕微鏡検査(60分)
・歯石取り+3DSプロケア
・顕微鏡検査
・3DSマウスピース・ペースト、使用方法説明・お渡し
※薬の効果がある間(3日~10日)の間に行います。
STEP 5
歯石とり(50分)
・歯石取り
・3DSプロケア
※薬の効果がある間(3日~10日)の間に行います。
STEP 6
治療後検査(60分)
・顕微鏡検査
・口腔内写真
・歯周ポケット検査
・PCR法
・プロデンティス説明
・ぺリオバスターN説明
STEP 7
治療後検査(60分)
・PCR結果説明
・CWE
初診時・治療開始日
歯ぐきの痛み、出血、腫れがみられます。痛みがあり、歯も磨けない状態です。
治療開始から1週間後
腫れも引いてきており、出血もしなくなりました。歯石が見えてきています。3日目から出血しなくなりました。
治療開始から3週間後
腫れもなくなり、歯ぐきもきれいなピンク色になりました。口の中の違和感がなくなりすっきりしました。
1週間後の自覚症状の変化(患者様1,000人アンケート)
たった1週間で他にも・・・
・噛んだ時の痛み改善:79%
・歯ぐきの腫れ改善:77%
・歯のグラグラ改善:66%
・知覚過敏改善:65% など…
このような症状の改善が期待できます。
顕微鏡と薬による治療
45歳男性 治療前の自覚症状
「歯周病と言われました。歯がグラグラしていて噛むと痛みがあります。時々歯ぐきが腫れ口臭もあります。」

最初の菌の状態です。
カビ、歯周病菌が多数みられます。

1週間後の非常にきれいになった菌の状態です。
本来いるべき正常な菌は残っています。
自覚症状の変化
・1週間で口臭、ネバネバ感が消失
・出血無し
1週間後感想
「気になっていた口の臭いがなくなりました。歯ぐきが引き締まった感じです。噛んだ時の違和感もなくなりました。」
薬による歯周病治療終了後に注意して頂きたいこと
■歯周病は細菌による感染症なので、再感染に気を付けましょう。特に性感染に気を付けましょう。
■歯周病を起こす細菌が感染しにくいようにお口の中を清潔に保つ様心がけましょう。
■歯石やカビ菌を定期的に除去し、毎日の適切な歯磨きをしましょう。
■歯周病を起こす細菌が感染していないか、お口の中が感染しやすい環境になっていないか、顕微鏡を用いた定期検診を受けるようにしましょう。
感染経路
生まれた時には人のお口の中には歯周病菌は存在しません。
しかし、元々いない歯周病菌がなぜ今お口の中にいるかというと、人からうつされているのです。今も、家族の間でうつし合っている状態にあるかもしれません。
回しの飲みや回し食い、箸の使いまわし、キス、くしゃみ等が感染ルートとして上げられます。菌が再びお口の中に入ってくると、お口の中で定着して歯周病を発症する可能性が出てくるということになります。
特に危険なのは性感染です。せっかく歯周病を治してもパートナーからうつされたのでは意味がありません。パートナーの方と同時に治療される事をおすすめします。
再発を予防するには
カビ菌は口腔内常在菌といって、お口の中に必ず住み着いている菌です。
徹底的にやっつけても、空気中や食べ物や指などから再びお口の中に戻ってきます。全滅させることは不可能なのです。
定期的に歯科医院に通って歯周病菌が再感染していないか、カビ菌が増えすぎていないか、顕微鏡で確認しカビ菌が増えすぎないように専用の器具を用いてクリーニングを行う必要があります。
全身疾患との関係
菌が全身疾患に大きく関与しているのが医科でも問題になってきています。
カビが肺に入れば肺炎になってしまいます。歯周病菌も、わずかでもお口中で出血を起こすとその傷口から菌が入り心臓で炎症を起こすのです。
歯周病の人が心臓病になる確率は2~3倍に上がります。他にも食道がん、糖尿病、早産、高血圧などにも関与しています。
歯周内科をお受け頂くにあたっての注意事項
■お薬の効果がある期間に治療をお受け頂きたい為、治療開始から2回目の中間顕微鏡検査までの計3回のご予約をまとめてお取りしております。
■変更、キャンセル等がございますと治療の効果が出ない場合がございますので、ご予約は確実にご来院できる日でお願い致します。
■喫煙者の方は、治療期間中は出来る限り喫煙を控えて下さい。タバコを吸うと白血球が減少し、薬の効きが悪くなってしまいます
■通常の治療より長めにお時間を確保致しますので、遅刻・当日キャンセルは絶対にご遠慮下さい。
■治療で使用するお薬は、併用すると危険なお薬がございます。ワーファリン、制酸剤、シクロスポリン、ジコキシン、ネルフィナビルを服用されている方はカウンセリングの際にお伝え下さい。また、その他のお薬を服用中の方も必ずお伝え下さい。